新黎明科技
助力安全生产事业和防爆电器行业发展
首页
公司介绍
产品展示
企业荣誉
留言反馈
联系我们
灯具
电器
管件
风机
其他
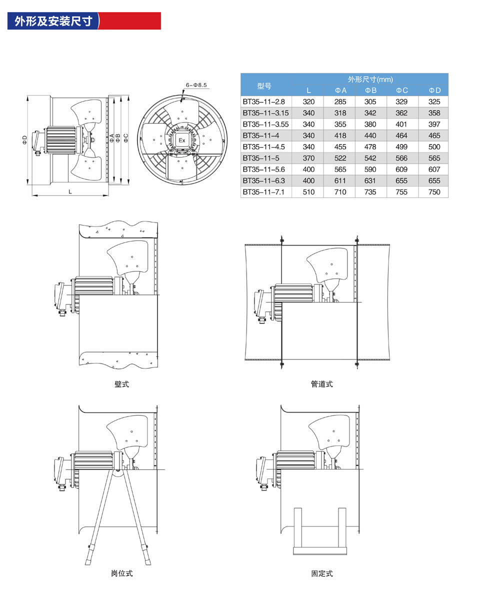
产品名称:BT35-11系列防爆轴流风机
上架时间:2019-08-15
简单介绍: